靜音式重負荷型滾珠直線導軌QH系列安裝方法
.png)
● 金屬刮板
可隔離高溫鐵屑或加工火花,并排除大體積雜質。

摩擦力
此阻力值為單片刮油片之最大阻力。
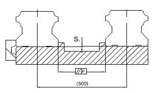
安裝平面誤差

QH系列為圓弧兩點接觸式直線導軌,其自動調心的
特性可以吸收安裝面的些許誤差而不影響直線運動
的順暢性;下表中注明了安裝平面的容許誤差值:
直線導軌維護注意事項
1. 直線導軌的標準產品在出貨前已將良質的潤滑劑(潤滑油或鋰皂基油脂)封入滑塊內,在裝用并試運轉之后、于正式運轉之前,請再次對滑塊進行潤滑作業,潤滑時請使用相同鋰皂基的潤滑劑。

2. 直線導軌的標準產品在出貨前,導軌表層四周已涂布防銹油;安裝時,若有清洗導軌的動作,請于機臺設備完裝時,再次將導軌表面四周涂布一層適當的潤滑油(請使用兼容之潤滑劑)。
3. 因為直線導軌的滑塊系由許多塑料材質零件組成,清潔時請避免以有機溶劑接觸或浸泡這些零件,以免造成產品損壞。
4. 異物進入滑塊內是造成滑塊故障與損壞的原因之一,應注意予以避免。

5. 任意拆解直線導軌的零配件有可能造成異物進入滑塊或降低直線導軌的精度,請勿任意拆解直線導軌。
6. 不當的傾斜直線導軌可能造成滑塊因自重而滑出導軌,請在移動直線導軌時保持直線導軌為水平狀態。
7. 直線導軌摔落或撞擊會損傷正常功能,請避免讓直線導軌產生不當的摔落或撞擊。
8. 使用于特殊環境,請使用適當的表面處理或與HIWIN聯絡。
9. 自潤式直線導軌(E2 type)可容許的環境溫度范圍為-10℃~60℃;靜音式直線導軌(Q1 type)可容許的環境溫度范圍為-10℃~80℃;而金屬端蓋式直線導軌(SE type)可容許的最高環境溫度為150℃。除此之外,一般直線導軌可容許的最高環境溫度為100℃。